返回 产品展示
对刀仪TC-30-100 对刀面30
1.重复对刀精度可达0.001MM。
2,接线简单,安装方便,底座可灵活定制。
3.IP等级67级防水防油,重复对刀次数300万次以上,质保二年。
4.适用范围:雕铣机,精雕机,加工中心,钻攻机,佳铁机专用,北京精雕机专用,高光机,玻璃机,雕刻机等 。
4,厂家直销,大量现货。
5,一个也可定制。
6,带指示灯。
品 名 :对刀仪
产品型号:TC-30-100
输出模式:A:NO(常开)/NC(常闭)
行 程:6MM
重复精度:0.001
触点寿命:300万次
保护结构:IP67
接触力度:1.5N(安装状态必须垂直)
对刀面材质:超硬合金
对刀面直径:20MM
表面处理:镜面研磨4S
触点额定值:DC24V 20MA(MAX)
电缆规格:标准2M耐油(长度可定制)、4芯(常闭),6芯(常开)
指示灯:常闭LED灯工作时亮
超行程报警信号:(日本进口欧姆龙开关)
输出模式 B:NC 常闭(当信号断开后紧急停止)
触点电压 DC24V 20MA电阻负荷 (特殊情况下须加负载,限电流)
φ20 对刀面 带超行程报警信号
用于数控机床用刀具测量,磨耗,折损检测
电路图常闭:


电路图常开:
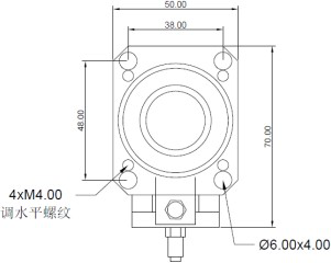
外观尺寸图:




如果您有需要安装对刀仪及协助安装
请联络我们东莞天驰机电
我们有专业的安装团队为您服务丨全国免费服务热线:18925836779 0769-28826619 常先生
Copyright © 2014 东莞鑫天驰智能科技有限公司版权所有